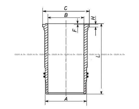
Детали двигателя
Гильза моторная
VOLVO - FH16'02, FH16'05
Двигатель - VOLVO - D16C, D16E
Тип: Мокрая
Высота буртика, мм: 13.2
Высота защитной кромки, мм: 0.65
Высота, мм: 288.35
Диаметр буртика, мм: 177.0
Диаметр номинальный, мм: 144
Диаметр посадочный, мм: 166.0
RENAULT - MIDLUM I, PREMIUM I, PREMIUM II
Двигатель - RENAULT - MIDR 06.02.26
Высота буртика, мм: 8.0
Высота защитной кромки, мм: 0.8
Высота, мм: 218.0
Диаметр буртика, мм: 122.5
Диаметр номинальный, мм: 102
Диаметр посадочный, мм: 114.0
SCANIA - Series 5 (P/G/R/T)
Двигатель - SCANIA - DC9.19, DC9.20, DC9.21, DC11.03, DC11.04, DC11.08,
Высота внутреннего расширения, мм: 194.27
Высота защитной кромки, мм: 0.85
Высота, мм: 271.1
Диаметр буртика, мм: 151.0
Диаметр номинальный, мм: 127
Диаметр посадочный, мм: 140.0
SCANIA - 143
Двигатель - SCANIA - DSC14.03, DSC14.04, DSC14.08, DSC14.09, DSC14.10,
Комплектность: С кольцами
Тип: Мокрая
Высота буртика, мм: 10,05
Высота защитной кромки, мм: 0,4
Высота, мм: 275,5
Диаметр буртика, мм: 155,7
Диаметр номинальный, мм: 127
Диаметр посадочный, мм: 140
SCANIA - Series 5 (P/G/R/T)
Двигатель - SCANIA - DC9.19, DC9.20, DC9.21, DC11.03, DC11.04, DC11.08,
Высота внутреннего расширения, мм: 194.27
Высота защитной кромки, мм: 0.85
Высота, мм: 271.1
Диаметр буртика, мм: 151.0
Диаметр номинальный, мм: 127
Диаметр посадочный, мм: 140.0
SCANIA - 114, 124, 164
Двигатель - SCANIA - DC9.19, DC9.20, DC9.21, DC11.03, DC11.04, DN11.06,
Комплектность: С уплотнителями
Тип: Мокрая
Высота буртика, мм: 194,27
Высота, мм: 271,1
Диаметр буртика, мм: 150
Диаметр номинальный, мм: 127
Диаметр посадочный, мм: 139
MAN - Series TGA/TGS/TGX
Двигатель - MAN - D2676
Высота буртика, мм: 8.07
Высота, мм: 257
Диаметр буртика, мм: 150
Диаметр номинальный, мм: 126
Диаметр посадочный, мм: 139.5
SCANIA - Series 5 (P/G/R/T)
Двигатель - SCANIA - DC12.10, DC12.13, DC9.16, DC9.17, DC9.18, DT12.03,
Тип: Мокрая
Высота буртика, мм: 194.27
Высота, мм: 271
Диаметр буртика, мм: 150
Диаметр номинальный, мм: 127
RENAULT - MAGNUM AE
Двигатель - RENAULT - MIDR 06.24.65 A, MIDR 06.24.65 B, MIDR 06.24.65 C
Комплектность: Без уплотнителей
Высота, мм: 279.5
Диаметр буртика, мм: 139.8
Диаметр номинальный, мм: 124
RENAULT - MAGNUM AE
Двигатель - RENAULT - MIDR 06.24.65 A, MIDR 06.24.65 B, MIDR 06.24.65 C
Комплектность: С уплотнителями
Высота, мм: 279.5
Диаметр буртика, мм: 139.8
Диаметр номинальный, мм: 124
searchПоиск товара
| Марка, модель автомобиля |
| Агрегат |
|
|
|||||















